Menü
  • Kezdőlap
  • Rólunk
  • Kapcsolat
  • Vásárlási fetételek
  • Vásárlási szabályzat
  • Adatvédelmi szabályzat

Saját fiók

Regisztráció
Jelszó emlékeztetõ

    Termék kategóriák

  • ALKATRÉSZ
  • BÁLÁZÓGÉPEK
  • CSŐTÖRŐGÉPEK
  • ERDÉSZETI TARTOZÉK
  • FŰKASZÁK
  • FŰNYÍRÓK
  • KULTIVÁTOR
  • MŰTRÁGYASZÓRÓ
  • PERMETEZŐGÉP ALKATRÉSZ
  • PÓTKOCSI
  • RENDKEZELŐ
  • SZÁRZÚZÓ
  • TRAKTOROK
  • VETŐGÉPEK

Kosár

Kosár tartalma »

Vásárlási szabályzat

A vásárlással, megrendeléssel kapcsolatos információk megtekintése »

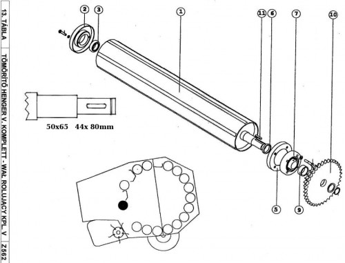
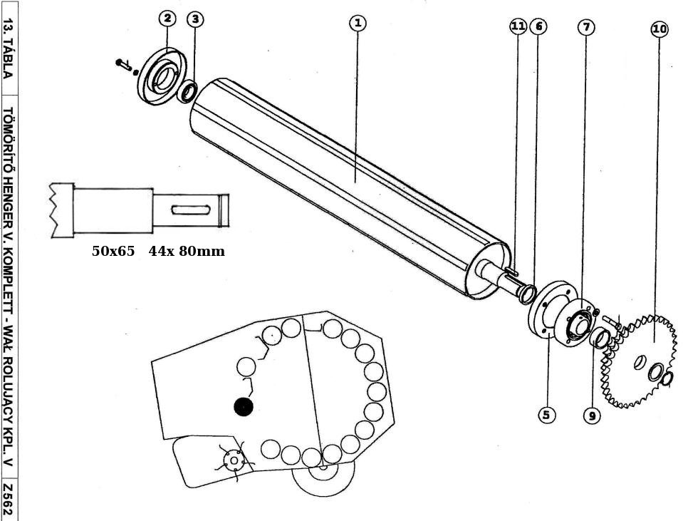
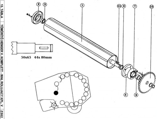
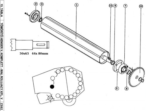
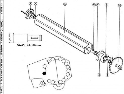
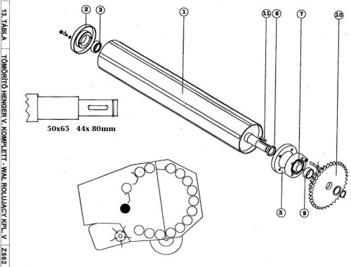
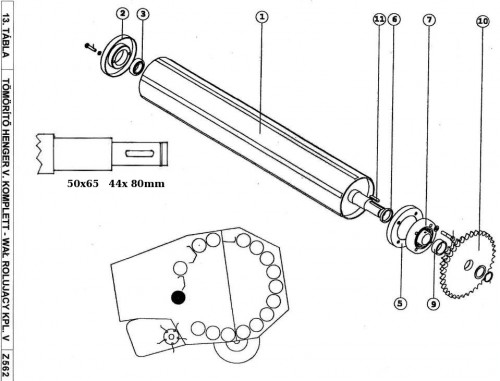
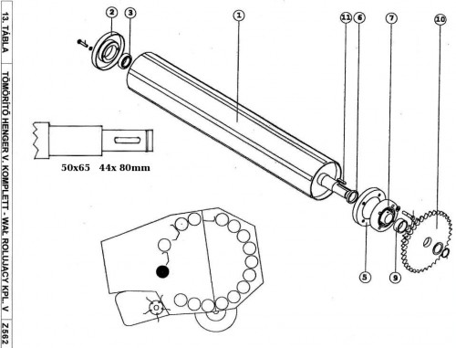
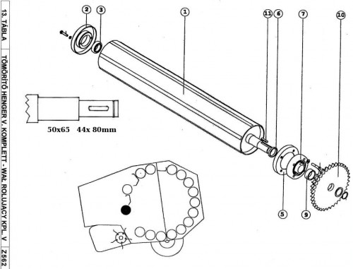
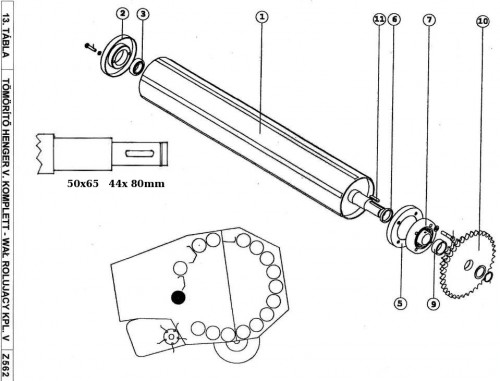
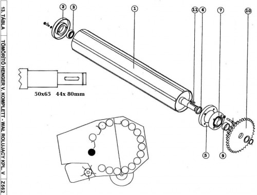
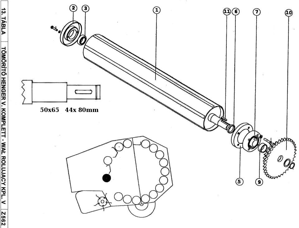
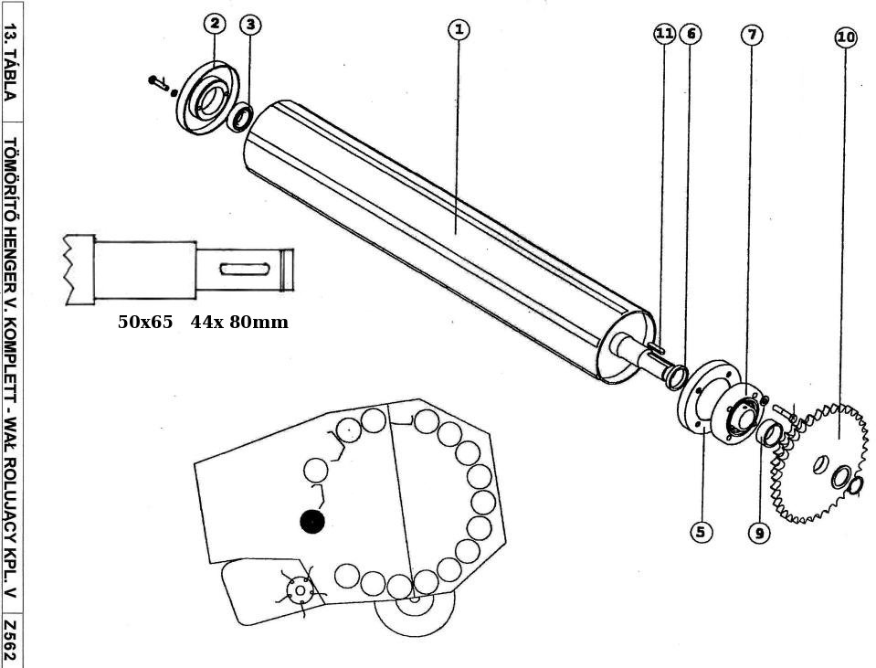
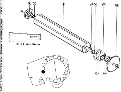
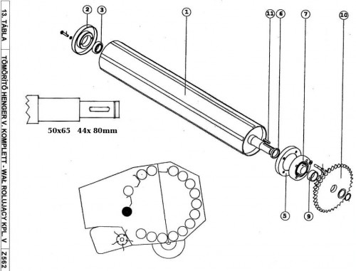
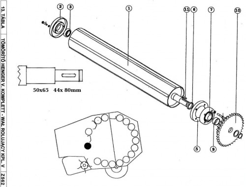
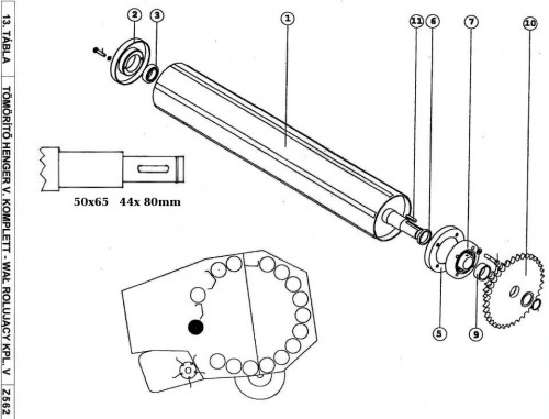
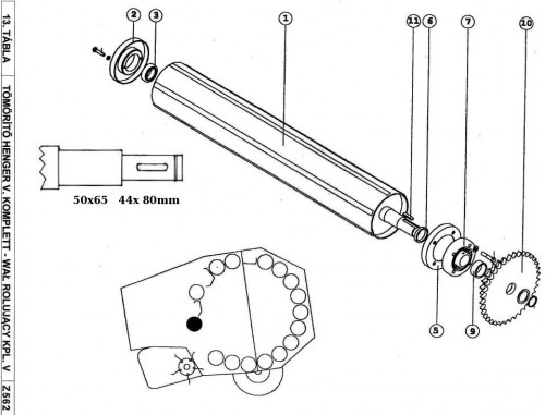
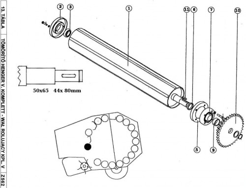
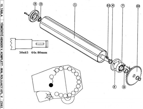
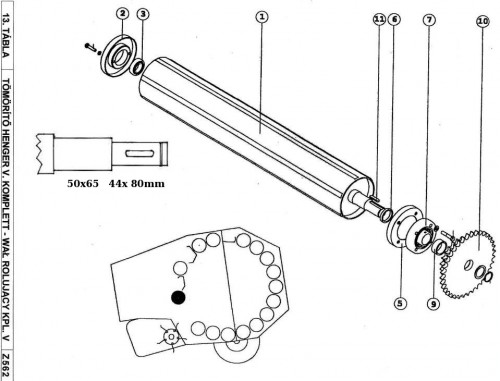
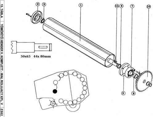
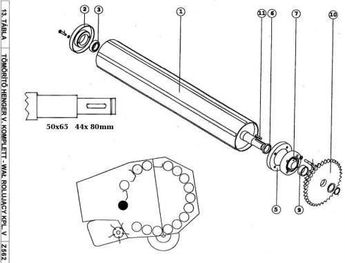
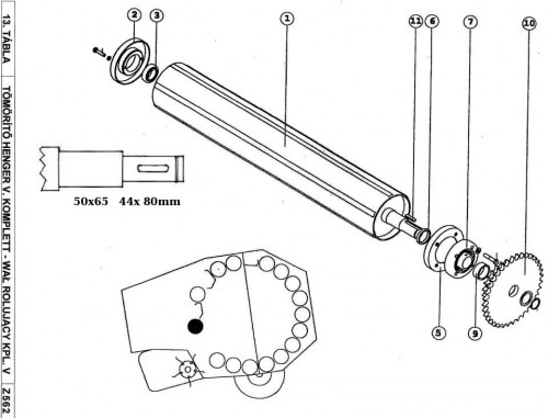
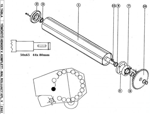
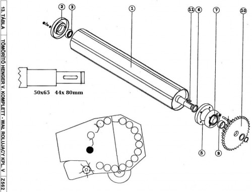
13Tömörítő henger V.

Alkatrészek

Cikkszám Név Ár Ajánlat
1 000.072/.000

Tömörítő henger II.

76000 Ft + áfa

Regisztráció

2 000.077.000

Fedél I.

0 Ft + áfa

Regisztráció

3 6207

Tömörítő henger FAG 6207 2RS C3 csapágy

3270 Ft + áfa

Regisztráció

5 000.078.000

Fedél II.

0 Ft + áfa

Regisztráció

6 000.000.091

Speciális alátét

0 Ft + áfa

Regisztráció

7 210

Csapágy FAGUCF210

0 Ft + áfa

Regisztráció

7.1 210

Csapágyház FAGUCF210

0 Ft + áfa

Regisztráció

9 000.000.089

Persely

0 Ft + áfa

Regisztráció

10 000.081/I.000

Lánckerék Z22

0 Ft + áfa

Regisztráció

2016 © Agroalkatrész | Minden jog fenntartva.