Menü
Kezdőlap
Rólunk
Kapcsolat
Vásárlási fetételek
Vásárlási szabályzat
Adatvédelmi szabályzat
Kezdőlap
::
BÁLÁZÓGÉPEK
::
BÁLÁZÓ Z 562
::
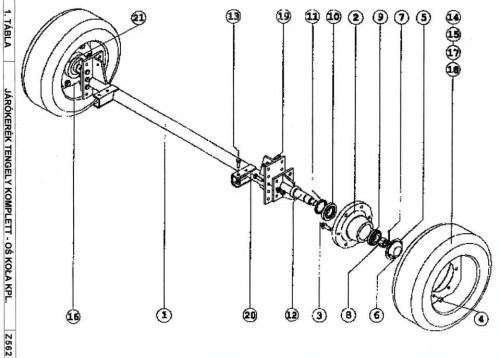
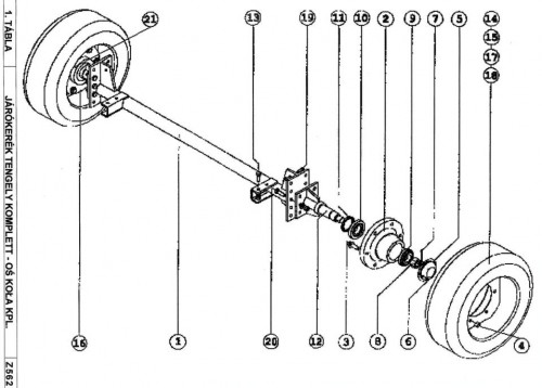
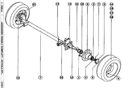
01Járókerék-tengely kpl.
Főtengely
leiras
Regisztráció
Cikkszám:
000.008.000
Sorszám:
1